伝説“miniKORG 700S”フィルタ搭載!コルグ初のUSBオーディオ「microAUDIO」音質検証
(18/36)
前の画像
(18/36)
次の画像
記事へ
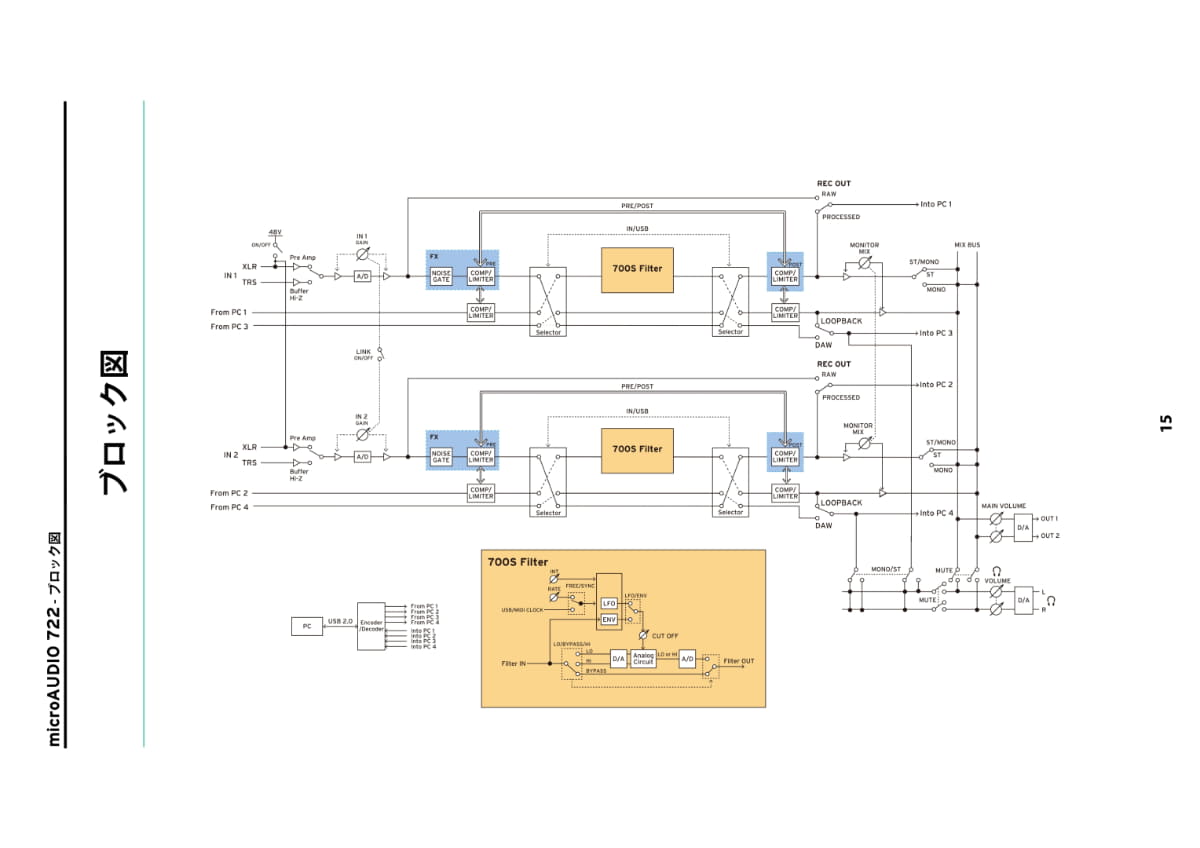
microAUDIO 722のブロック図
前の画像
(18/36)
次の画像
記事へ